¹æÁø SPRING HANGER
Á¦Ç°ÀÇ ¿ëµµ
- HANGERING µÇ´Â FANÀÇ ¹æÁø HANGER·Î¼ ÀûÇÕ.
- ¹«Çâ½Ç, ¹æ¼Û±¹ µîÀÇ FLOATING CEILING SYSTEM¿ë.
- ±â°è½Ç µîÀÇ DUCT³ª ¹è°ü LINE ¹æÁø ÁöÁö¿ë.

µµ»öÀº º¸Åë ºÐüµµÀåÀ¸·Î °¡°øÇÏ¸ç »ö»óÀº ³ì»öÀ¸·Î ¼±ÅÃÇÏ¿© ROD º¼Æ® ¹× NUT, ¿Í»þ´Â ÇöÀå¿¡¼ ³ô, ³·À̸¦ ¼±ÅÃÇÏ¿© ½Ã°øÀÚ ±¸ÀÔÀ¸·Î °áÁ¤ÇÑ´Ù.
| TYPE | Àû¿ëÇÏÁß(kgf) | º¯À§·® (mm) |
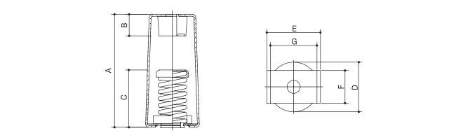
DIMENSION(mm) | ||||||||
|---|---|---|---|---|---|---|---|---|---|---|---|
| A | B | C | D | E | F | G | H | Á¶Àý Bolt | |||
| SH-10 / SH-50 SH-100 / SH-150 |
10 / 50 100 / 150 |
25 | 173 | 33 | 88 | 76 | 82 | 50 | 81 | 45 | M10 |
| SH-300 | 300 | 25 | 220 | 48 | 126 | 100 | 108 | 60 | 91 | 67 | M12 |
| SH-500 | 500 | 25 | 240 | 48 | 141 | 100 | 110 | 60 | 91 | 67 | M16 |